| Informations sur l'article |
|---|
| Pour toutes les machines et équipements combinés. Adhérence idéale, tenue du niveau et stabilité exceptionnelles. Préparé pour ancrage ultérieur.
| | Type | KaBloc 203.52V /903 | | Nom | Patins KaBloc | | No de réf. | 1.34952.60 | | Couleur | RAL 7016 gris anthracite | | Autres couleurs sur demande. | | Traitement de la surface | peint |
| Données techniques |
|---|
| Charge max. [daN] | 7000 | | Charge max. + précontrainte [daN] | 14000 | | Charge max. + précontrainte [lbs] | 31500 | | Inclinaison [°] | 3 | | Marge de nivelage [mm] | 6 | | Marge de nivelage [mm] | -6 | | Course en hauteur par tour [mm] | 0.3 | | Marge de la température de [°C] | -20 | | Marge de la température à [°C] | 80 | | Poids [kg] | 6.65 |
| Dimensions |
|---|
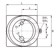
| Hauteur H [mm] | 80 | | Hauteur HoB en position neutre, sans plaques [mm] | 77 | | Longueur L [mm] | 140 | | Longueur L1 [mm] | 51 | | Longueur L2 [mm] | 30 | | Longueur Lmax [mm] | 219 | | x [mm] | 70 | | y [mm] | 27 | | Largeur B [mm] | 140 | | Diamètre D1 [mm] | 140 | | Taraudage d2 | M20 | | Diamètre intérieur d1 [mm] | 22 | | Ouverture de clé SW1 [mm] | 22 | | Ouverture de clé SW2 [mm] | 12 |
| Equipement en plaques |
|---|
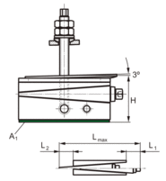
| Plaque inférieure type | 903 | | Epaisseur de la plaque non chargée [mm] | 3 | | Coefficient de friction sur béton avec chappe fine | 0.8 | | Dureté [° Shore A] | 90 - 95 | | Superficie plaque inférieure A1 [cm2] | 190 |
| Tiges filetées appropriés |
|---|
 | Tiges filetées P | | suivant |
| Remarques utiles |
|---|
| Accessoires: Disques compensateurs de hauteur type 140-6/12/18 |
Accessoires| Remarque étendue de livraison |
|---|
| Tiges filetées sont à commander séparément. |
Illustration du typeDescription du systèmeCroquis cotéCroquis de montage |
| Informations sur l'article |
|---|
| Pour toutes les machines et équipements combinés. Adhérence idéale, tenue du niveau et stabilité exceptionnelles. Préparé pour ancrage ultérieur.
| | Type | KaBloc 203.53V /903 | | Nom | Patins KaBloc | | No de réf. | 1.34953.60 | | Couleur | RAL 7016 gris anthracite | | Autres couleurs sur demande. | | Traitement de la surface | peint |
| Données techniques |
|---|
| Charge max. [daN] | 7000 | | Charge max. + précontrainte [daN] | 14000 | | Charge max. + précontrainte [lbs] | 31500 | | Inclinaison [°] | 3 | | Marge de nivelage [mm] | 6 | | Marge de nivelage [mm] | -6 | | Course en hauteur par tour [mm] | 0.3 | | Marge de la température de [°C] | -20 | | Marge de la température à [°C] | 80 | | Poids [kg] | 6.867 |
| Dimensions |
|---|
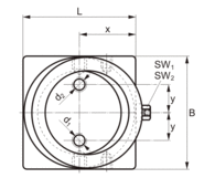
| Hauteur H [mm] | 80 | | Hauteur HoB en position neutre, sans plaques [mm] | 77 | | Longueur L [mm] | 140 | | Longueur L1 [mm] | 51 | | Longueur L2 [mm] | 30 | | Longueur Lmax [mm] | 219 | | x [mm] | 70 | | y [mm] | 27 | | Largeur B [mm] | 140 | | Diamètre D1 [mm] | 140 | | Taraudage d1 | M20 | | Taraudage d2 | M20 | | Ouverture de clé SW1 [mm] | 22 | | Ouverture de clé SW2 [mm] | 12 |
| Equipement en plaques |
|---|
| Plaque inférieure type | 903 | | Epaisseur de la plaque non chargée [mm] | 3 | | Coefficient de friction sur béton avec chappe fine | 0.8 | | Dureté [° Shore A] | 90 - 95 | | Superficie plaque inférieure A1 [cm2] | 190 |
| Tiges filetées appropriés |
|---|
 | Tiges filetées P | | suivant |
| Remarques utiles |
|---|
| Accessoires: Disques compensateurs de hauteur type 140-6/12/18 |
Accessoires| Remarque étendue de livraison |
|---|
| Tiges filetées sont à commander séparément. |
Illustration du typeDescription du systèmeCroquis cotéCroquis de montage |
| Informations sur l'article |
|---|
| Pour toutes les machines et équipements combinés. Adhérence idéale, tenue du niveau et stabilité exceptionnelles. Préparé pour ancrage ultérieur.
| | Type | KaBloc 203.54V /903 | | Nom | Patins KaBloc | | No de réf. | 1.34954.60 | | Couleur | RAL 7016 gris anthracite | | Autres couleurs sur demande. | | Traitement de la surface | peint |
| Données techniques |
|---|
| Charge max. [daN] | 7000 | | Charge max. + précontrainte [daN] | 14000 | | Charge max. + précontrainte [lbs] | 31500 | | Inclinaison [°] | 3 | | Marge de nivelage [mm] | 6 | | Marge de nivelage [mm] | -6 | | Course en hauteur par tour [mm] | 0.3 | | Marge de la température de [°C] | -20 | | Marge de la température à [°C] | 80 | | Poids [kg] | 6.6 |
| Dimensions |
|---|
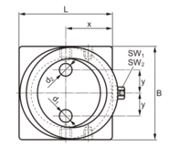
| Hauteur H [mm] | 80 | | Hauteur HoB en position neutre, sans plaques [mm] | 77 | | Longueur L [mm] | 140 | | Longueur L1 [mm] | 51 | | Longueur L2 [mm] | 30 | | Longueur Lmax [mm] | 219 | | x [mm] | 70 | | y [mm] | 27 | | Largeur B [mm] | 140 | | Diamètre D1 [mm] | 140 | | Diamètre intérieur d1 [mm] | 22 | | Diamètre intérieur d2 [mm] | 22 | | Ouverture de clé SW1 [mm] | 22 | | Ouverture de clé SW2 [mm] | 12 |
| Equipement en plaques |
|---|
| Plaque inférieure type | 903 | | Epaisseur de la plaque non chargée [mm] | 3 | | Coefficient de friction sur béton avec chappe fine | 0.8 | | Dureté [° Shore A] | 90 - 95 | | Superficie plaque inférieure A1 [cm2] | 190 |
| Tiges filetées appropriés |
|---|
 | Tiges filetées P | | suivant |
| Remarques utiles |
|---|
| Accessoires: Disques compensateurs de hauteur type 140-6/12/18 |
Accessoires| Remarque étendue de livraison |
|---|
| Tiges filetées sont à commander séparément. |
Illustration du typeDescription du systèmeCroquis cotéCroquis de montage |